Medium Cooling Scrolls
This is how you receive your Compressor
VER
VER
Teardown Process
RAG Program
Register Compressor
Features
Components
Did you know?
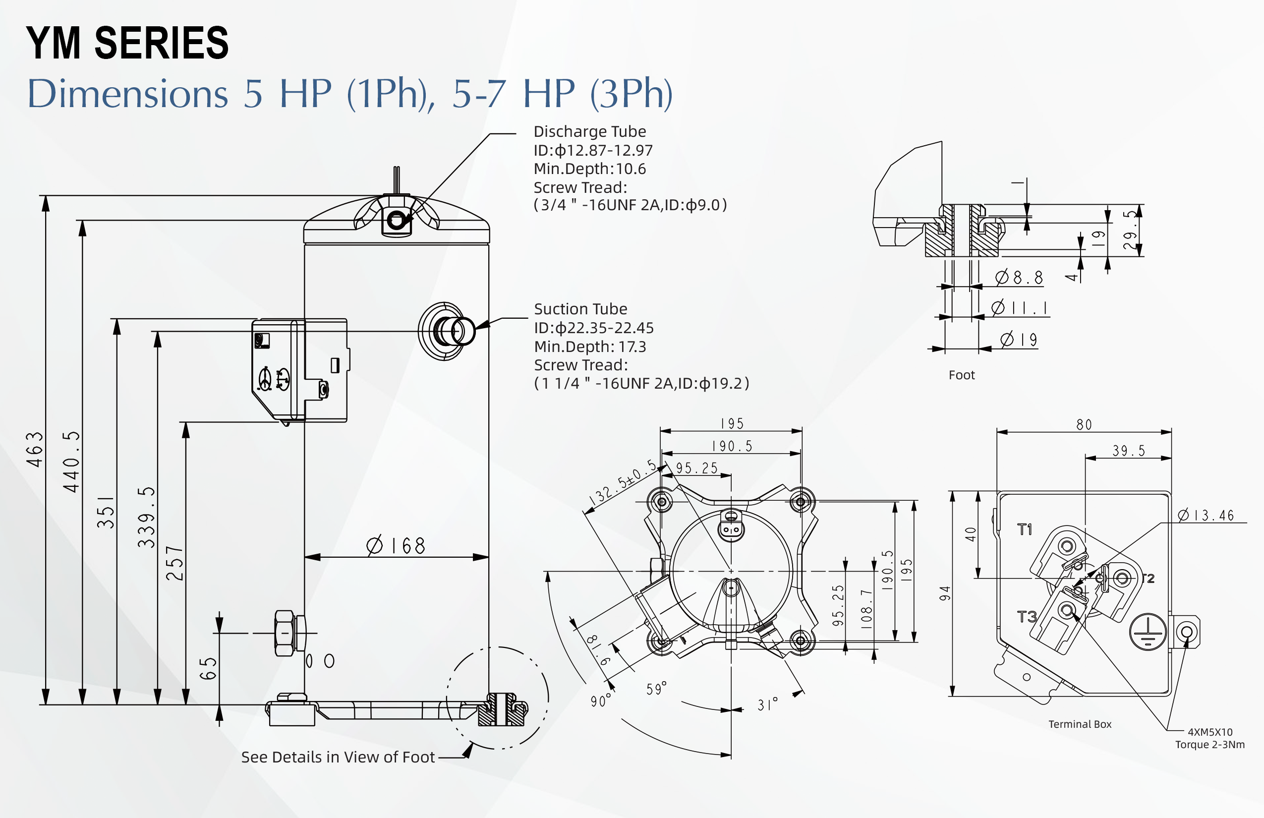
YM86E3G-100
HOUSING TYPE
HERMETIC
HP
5 HP
REFRIGERANTS
R404A | R448A | R449A | R507C
CONNECTION
WELDABLE
VOLTAGE
220
PHASES
1
BTU/Hr
36000
Starter Kit
Included
Cross-Ref
Danfoss
MLZ038T1
Copeland
ZB66KCE-TF5
Bitzer
2CES-3Y
Technical Data Sheet
Installation Guide
Distributors
Inventory and Price
Troubleshooting
Downloads
Buy Online
warranty registration
Specifications
Share