Scrolls for Air Conditioning
This is how you receive your Compressor
VER
VER
Teardown Process
RAG Program
Register Compressor
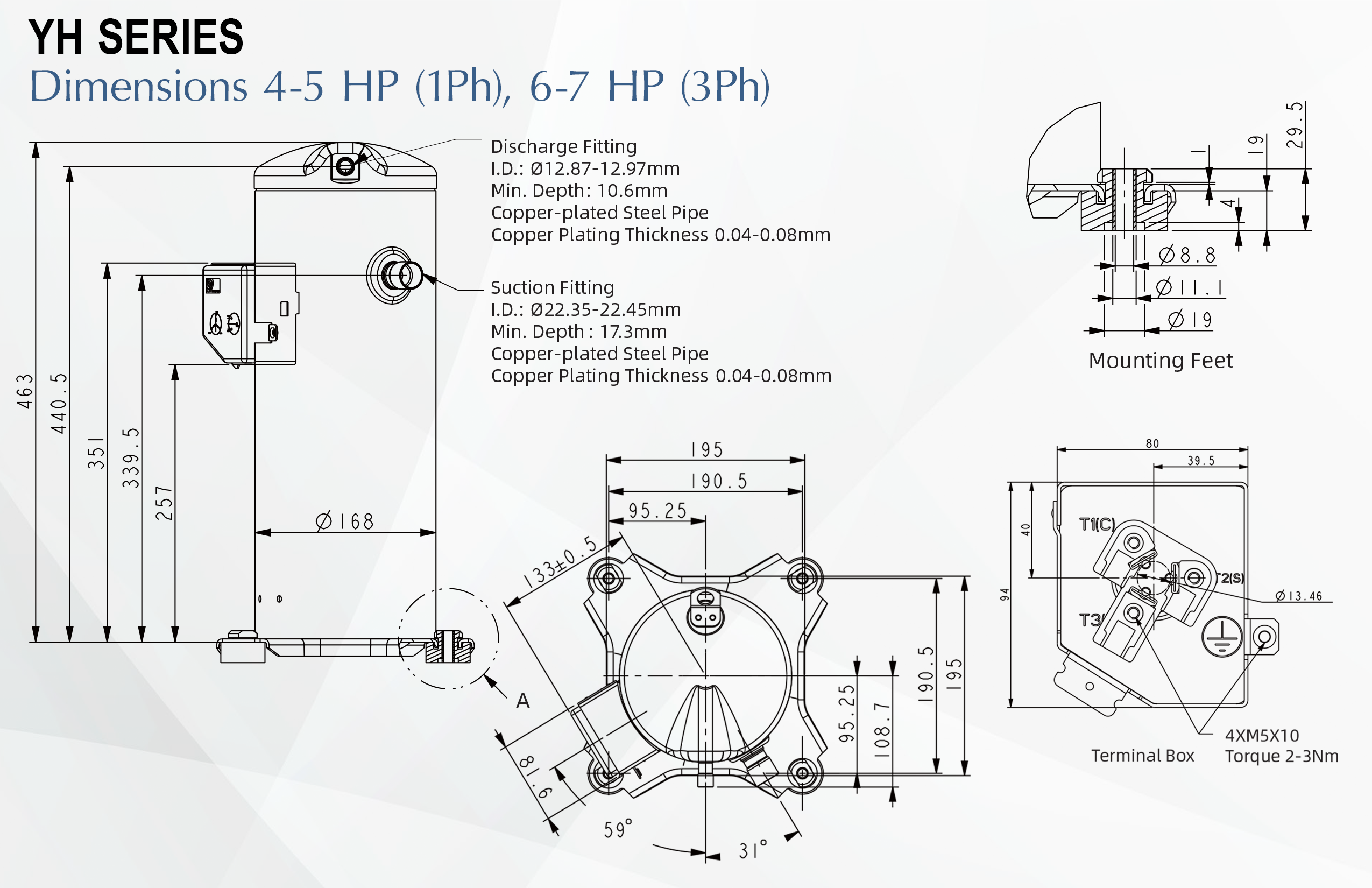
Dimensions
Features
Components
YH183C7-210
HOUSING TYPE
HERMETIC
HP
7 HP
REFRIGERANTS
R410A
CONNECTION
WELDABLE
VOLTAGE
220
PHASES
3
BTU/Hr
76000
Cross-Ref
Panasonic
C-SBP235H39B
Technical Data Sheet
Installation Guide
Distributors
Inventory and Price
Troubleshooting
Downloads
Buy Online
warranty registration
Specifications
Precio promocional actual
$
685.99
USD
Disponible hasta 31/01/2024
Share